Slant *        6        Forum
Home Home Home
The Place to Go for Slant Six Info!
Click here to help support the Slant Six Forum!
It is currently Mon May 04, 2026 11:22 am

All times are UTC-07:00




Post new topic  Reply to topic  [ 29 posts ]  Go to page Previous 1 2
Author Message
 Post subject:
PostPosted: Thu Nov 20, 2008 8:00 pm 
Offline
3 Deuce Weber
User avatar

Joined: Tue Apr 12, 2005 7:59 am
Posts: 63
Car Model:
thanks. Soon it will publish the photos


Top
   
 Post subject:
PostPosted: Thu Nov 20, 2008 8:00 pm 
Offline
Turbo EFI
User avatar

Joined: Sat Nov 29, 2003 5:45 pm
Posts: 1903
Location: Hamilton the STEEL CITY, ON
Car Model:
OK. that will help us out a lot in helping you solve your problem.

_________________
I've been calling it as i see it for my entire life and that's not about to change. Take it or leave it.


Top
   
 Post subject:
PostPosted: Thu Nov 20, 2008 8:02 pm 
Offline
3 Deuce Weber
User avatar

Joined: Tue Apr 12, 2005 7:59 am
Posts: 63
Car Model:
ok, thanks!!


Top
   
 Post subject:
PostPosted: Fri Nov 21, 2008 8:40 am 
Offline
3 Deuce Weber
User avatar

Joined: Tue Apr 12, 2005 7:59 am
Posts: 63
Car Model:
the pic

http://img201.imageshack.us/my.php?imag ... 010uv7.jpg


Top
   
 Post subject:
PostPosted: Fri Nov 21, 2008 8:49 am 
Offline
Supercharged
User avatar

Joined: Sun Nov 03, 2002 9:20 pm
Posts: 13364
Location: Fircrest, WA
Car Model: 76 D100
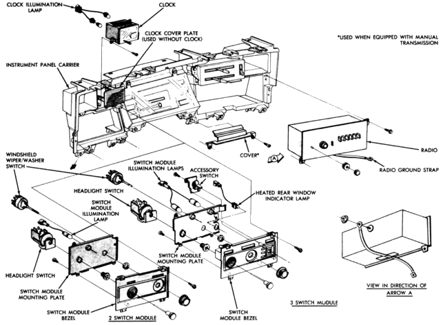
Aspens and Volares had both the older style motorized clocks and a digital clock option in later years.

Both clocks would mount in the same place (except in the Mbody lebaron and Diplomats- the clocks in those mount in the glove box door):

Image

The wiring harness should already have the connector to plug the clock into.

Image


Are you repairing the original clock in the car or are you adding a clock to a car that did not have one when it was built?

And don't worry, tu ingles muy bueno mi espanol... :lol:

_________________
Casually looking for a Clifford hyperpak intake for cheap.


Top
   
 Post subject:
PostPosted: Fri Nov 21, 2008 9:18 am 
Offline
3 Deuce Weber
User avatar

Joined: Tue Apr 12, 2005 7:59 am
Posts: 63
Car Model:
jajjaa tu español tambien es bueno!

I am going to add a clock


Top
   
 Post subject:
PostPosted: Fri Nov 21, 2008 9:40 am 
Offline
Supercharged
User avatar

Joined: Sun Nov 03, 2002 9:20 pm
Posts: 13364
Location: Fircrest, WA
Car Model: 76 D100
If you are adding a factory clock, you should be able to remove the plastic plug in the opening where the clock goes and plug the clock into the factory wiring harness.

If you are adding an aftermarket clock you will need to power it and install it following the instructions that came with the clock.

_________________
Casually looking for a Clifford hyperpak intake for cheap.


Top
   
 Post subject:
PostPosted: Fri Nov 21, 2008 10:58 am 
Offline
3 Deuce Weber
User avatar

Joined: Tue Apr 12, 2005 7:59 am
Posts: 63
Car Model:
Ok thnaks!

The clock is working now! I conect the red wire to bat, the blue wire to ing and the black wire to gnd. The clock works great.

Thanks to all for posting

Greetings from Chile!!


Top
   
 Post subject:
PostPosted: Fri Nov 21, 2008 2:46 pm 
Offline
Turbo EFI
User avatar

Joined: Sat Nov 29, 2003 5:45 pm
Posts: 1903
Location: Hamilton the STEEL CITY, ON
Car Model:
weird, ive never seen one of those before. i wonder if the orange wire will dim the display when you turn the headlamps on, to reduce glare?

still no idea on the yellow one... glad you got it sorted.

reed, those are the same drawings i have, i didnt see the digital clock in it. is the digital clock part of the "premiere" trimline? and did it have its own separate pigtail from the dash harness?

_________________
I've been calling it as i see it for my entire life and that's not about to change. Take it or leave it.


Top
   
 Post subject:
PostPosted: Fri Nov 21, 2008 3:03 pm 
Offline
Supercharged
User avatar

Joined: Sun Nov 03, 2002 9:20 pm
Posts: 13364
Location: Fircrest, WA
Car Model: 76 D100
76 and 77 Volares/Aspens had the old motor driven style of clock. In 78 (possibly because of the introduction of the Diplomat and lebaron) Chrysler switched the clock option to the digital "chronometer" (fancy latin word for clock). Same dimensions, and I believe the same pigtail for the wiring. If I remember correctly, the factory dash wiring harness had the pigtail for the clock, so if you find one and want to plug it in it is very simple. The same clock that fits in the dash of the Aspen/Volare cars is the clock that came on the glove box door in the Fifth Aves and Gran Furys. I don't know if the pigtail is the same for them though.

Here's a pic of the 76-77 clock:

Image

Here is the digital clock that will fit in the same hole and *probably* plug into the same pigtial on the harness:
Image

It was used on most cars form 78 into the late 80s.

_________________
Casually looking for a Clifford hyperpak intake for cheap.


Top
   
 Post subject:
PostPosted: Fri Nov 21, 2008 3:26 pm 
Offline
Turbo EFI
User avatar

Joined: Sat Nov 29, 2003 5:45 pm
Posts: 1903
Location: Hamilton the STEEL CITY, ON
Car Model:
So did the clock's subharness connector change in '78? the ones i am familiar with were only two-wire.

_________________
I've been calling it as i see it for my entire life and that's not about to change. Take it or leave it.


Top
   
 Post subject:
PostPosted: Fri Nov 21, 2008 3:34 pm 
Offline
Supercharged
User avatar

Joined: Sun Nov 03, 2002 9:20 pm
Posts: 13364
Location: Fircrest, WA
Car Model: 76 D100
That I don't know. I can't imagine Chrysler would have paid for a whole new harness, but maybe they did. You can see that the digital clock has five wires, and the eaqrlier motorized clock would have needed at least 3- (+) clock, (-), (+) light.

_________________
Casually looking for a Clifford hyperpak intake for cheap.


Top
   
 Post subject:
PostPosted: Fri Nov 21, 2008 4:59 pm 
Offline
Supercharged
User avatar

Joined: Sat Feb 16, 2008 1:25 pm
Posts: 5613
Location: Downeast Maine
Car Model:
I got the yellow wire involved, sorry. I was just listing a few of the common colors found under the dash and what their use is. Sort of back groud info...

My 82' LeBaron convertible uses the same digital clock. They are not water proof.

_________________
67' Dart GT Convertible; the old Chrysler Corp.
82' LeBaron Convertible; the new Chrysler Corp
07' 300 C AWD; Now by Fiat, the old new Chrysler LLC

Image


Top
   
 Post subject:
PostPosted: Fri Nov 21, 2008 5:37 pm 
Offline
Turbo Slant 6
User avatar

Joined: Tue May 01, 2007 1:59 pm
Posts: 830
Location: joyce wa
Car Model:
Same clock in an 83 Royal trim B150 van and it does dim when the headlights are turned on(don't know if its the orange wire Step) 8)

_________________
83 B-150 slant 6,4 speed. 79 B-300 360 pathfinder 4x4. 74 W-300 318 4x4 git-r-done 80 B-100 sl6,4speed


Top
   
Display posts from previous:  Sort by  
Post new topic  Reply to topic  [ 29 posts ]  Go to page Previous 1 2

All times are UTC-07:00


Who is online

Users browsing this forum: No registered users and 0 guests


You cannot post new topics in this forum
You cannot reply to topics in this forum
You cannot edit your posts in this forum
You cannot delete your posts in this forum
You cannot post attachments in this forum

Search for:
Jump to:  
Powered by phpBB® Forum Software © phpBB Limited